¡¡
|
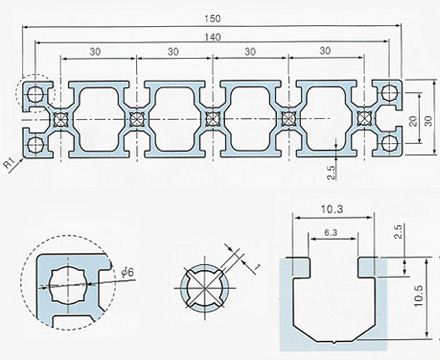
| ¡¡Model | ¡¡MP 30150 | ||
| ¡¡Material | ¡¡A6NOIS-T5 | ¡¡Surface Treatment | ¡¡Anodized |
| ¡¡Weight | ¡¡3.94kg/m | ¡¡Section area | ¡¡1458.13mm2 |
| ¡¡Std length | ¡¡4M, 6M | ¡¡Moment of inertia | ¡¡Ix=15.26¡¿104mm4 ¡¡Iy=309.00¡¿104mm4 |
| ¡¡¿ëµµ | ¡¡Áß(ñé)ÇÏÁß¿ë ±¸Á¶¸ô, ±â°èÄ¿¹ö¿ë ÈÄ·¹ÀÓ, ¡¡Converyor Frame |
||
| ¡¡Color | ¡¡Silver | ||
